带隙基准作业

$$ \begin{align*} \newcommand{\dif}{\mathop{}\!\mathrm{d}} \newcommand{\belowarrow}[1]{\mathop{#1}\limits_{\uparrow}} \newcommand{\bd}{\boldsymbol} \newcommand{\tx}{\text} \newcommand{\p}{\partial\,} \end{align*} $$
  1. Explain briefly why the circuit in Fig. 11.8 can be temperature-independent.

Figure 12.8 Conceptual generation of temperature-independent voltage Suppose we somehow force $V_{O1}=V_{O2}$, then $IR = V_{BE1}-V_{BE2} = V_T \ln n$. Thus, $V_{O2}=V_{BE2}+V_T\ln n$. Because $V_{BE2}$ has a negative TC and $V_T \ln n$ has a positive TC, $V_{O2}$ might have a zero TC.

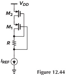
12.7 Consider the self-biased cascode shown in Fig. 12.44. Determine the minimum and maximum values of $RI_\tx{REF}$ such that both $M_1$ and $M_2$ remain in saturation

Figure 12.44 Solution: To make $M_1$ remain saturation,

$$ V_{D1}-V_{G1} \leq \vert V_\tx{TH1} \vert\\ \Rightarrow RI_\tx{REF} \leq \vert V_\tx{TH1} \vert $$

To make $M_2$ remain saturation

$$ V_{G1}+\vert V_{GS1} \vert - V_{G2} \leq \vert V_\tx{TH2} \vert\\ \Rightarrow RI_\tx{REF} \geq \vert V_{GS1} \vert - \vert V_\tx{TH2} \vert $$

In summary,

$$ \vert V_{GS1} \vert - \vert V_\tx{TH2} \vert \leq RI_\tx{REF} \leq \vert V_\tx{TH1} \vert $$